Building, maintaining and driving a Rover Mini 1000

Updated 20240801

Status vid köpet Aug 11 2024
As found Aug 11 2024
Updated 20260308

Uppgraderingar, reparationer och modifieringar
Updates, repairs and modifications
Updated 20250612

Köra bilen
Driving it
Updated 20250824

Motor
Engine
Updated 20250612

Drivlina
Drivetrain
Updated 20250326

Chassi, bromsar, fjädring och styrning
Chassis, brakes, suspension & steering
Updated 20250612

Kaross
Body
Updated 20250502

Interiör
Interior/Trim
Updated 20250510

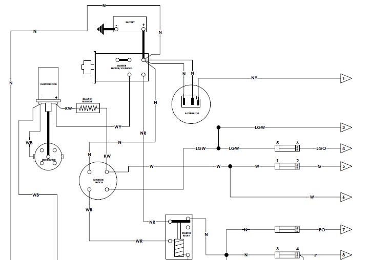
El
Electrical
Updated 20250612

Träffar
Events
Updated 20240801

Hur den låter, första gången till arbetstemperatur
What it sounds like, first time running engine to working temperature
Updated 20xxxx

Dokument
Documents

Bästa lärdomen

Spara alla skruvar, muttrar, fästen, stöd, klammer etc., sortera och märk upp.
Märk alla kabelanslutningar, skarvar och kontakter på kabelstammarna, annars har du inte en chans.
Använd de bästa verktygen du kan få tag i, speciellt borrar och slipverktyg. .

Best tip for other builders

Remember to save ALL the bolts, nuts, fasteners.
Tag all electrical connections, joints and switches on the looms, else you haven´t got a chance to get it right.
Use the best tools you can get your hands on, especially drill bits..